CPI TBRKA-1100

Ka Band Redundant LNB System

Quantity

Request for Quotation

Your Query is sent.

  •     *Required Fields

Loading

 

Security policy

 

Delivery policy

 

Return policy

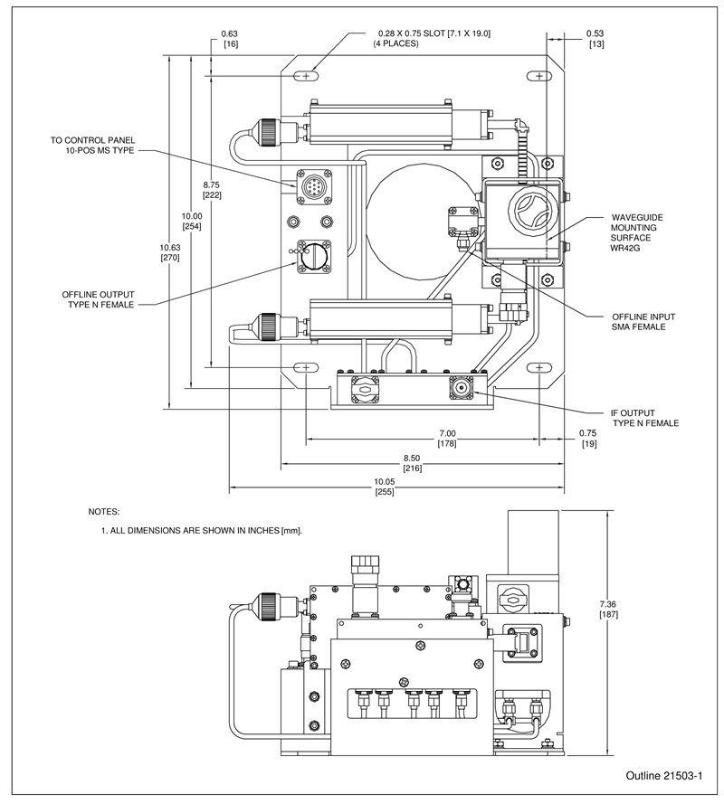
Ka Band Redundant Low Noise Block Converter

Redundant LNB systems minimize system downtime due to LNB failure by providing a spare LNB and an automatic means of switching to the spare upon failure of the primary LNB. The system consists of an outdoor plate assembly which mounts at the antenna hub and an indoor control panel.

PLATE ASSEMBLY FEATURES

TLNB20000X LNBs

High quality dual waveguide/coaxial switch

Manual override

Waveguide input flange

CONTROL PANEL FEATURES

Standard 19" rack panel, 3½ " high

Dual, redundant power supplies

Worldwide universal AC input capability

Manual or automatic operation

Monitors LNB bias currents to detect faults

Network interface

Factory Reference: Ka Band Redundant LNB System

CPI TBRKA-1100

Specific References